Нижний Новгород
Москва
Санкт-Петербург
Владивосток
Волгоград
Волжск
Екатеринбург
Краснодар
Красноярск
Нижний Новгород
Новосибирск
Пермь
Пятигорск
Ростов-на-Дону
Симферополь
Ставрополь
Тюмень
Хабаровск
Челябинск
Бренды
Акции
Компания
  • О компании
  • Отзывы
  • Лицензии и сертификаты
Покупателям
  • Как купить
  • Оплата
  • Доставка
  • Гарантия
  • Возврат
Новости
Контакты
    8 800 333 43 11
    8 800 333 43 11По России
    +7 812 250-43-11Отдел продаж
    Заказать звонок
    E-mail
    sales@chefclick.ru
    Адрес
    Нижний Новгород, Московское ш., 52
    Режим работы
    Понедельник — пятница с 9:00 до 18:00 (по МСК)
    Суббота, воскресенье — выходные дни
    Заказать звонок
    Chefclick
    Профессиональное оборудование
    для предприятий HoReCa
    Каталог
    По всему сайту
    По каталогу
    Войти
    0 Сравнение
    0 Избранное
    0 Корзина
    Каталог
    • Тепловое оборудование
      Тепловое оборудование
      • Печи комбинированные
      • Тепловые острова и моноблоки
      • Казаны
      • Аппараты для варки яиц
      • Аксессуары для теплового оборудования
      • Витрины тепловые
      • Грили и мангалы угольные
      • Грили контактные
      • Грили Саламандра
      • Дегидраторы
      • Кипятильники
      • Коптильни
      • Котлы пищеварочные
      • Сковороды мультифункциональные
      • Макароноварки
      • Обогреватели уличные
      • Пароварки
      • Пароконвектоматы
      • Печи дровяные
      • Печи конвейерные
      • Печи конвекционные
      • Печи микроволновые
      • Печи подовые
      • Печи ротационные
      • Плиты
      • Поверхности жарочные
      • Подогреватели блюд и посуды
      • Рисоварки и термосы для риса
      • Сковороды опрокидываемые
      • Столы тепловые
      • Термостаты су-вид
      • Тостеры
      • Фритюрницы
      • Шашлычницы
      • Шкафы жарочные
      • Оборудование расстоечное      
        • Камеры расстоечные
        • Шкафы расстоечные
      • Печи низкотемпературные
      • Шкафы тепловые
      • Еще
    • Бытовая техника
      Бытовая техника
      • Измельчители пищевых отходов бытовые
      • Блендеры бытовые
      • Вытяжки бытовые
      • Газовые плиты бытовые
      • Инвентарь кухонный бытовой
      • Кофемашины бытовые
      • Кофемолки бытовые
      • Миксеры бытовые
      • Минибары бытовые
      • Тостеры бытовые
      • Холодильники бытовые
      • Чайники бытовые
      • Пароконвектоматы бытовые
      • Посудомоечные машины бытовые
      • Смесители бытовые
      • Электрические плиты бытовые
      • Соковыжималки бытовые
      • Стиральные машины бытовые
      • Сушильные машины бытовые
      • Кондиционеры
      • Еще
    • Оборудование для прачечных и химчисток
      Оборудование для прачечных и химчисток
      • Машины стиральные
      • Аксессуары прачечного оборудования
      • Машины сушильные
      • Гладильное оборудование
      • Нейтральное оборудование для прачечных
      • Пятновыводные столы и шкафы
      • Еще
    • Холодильное оборудование
      Холодильное оборудование
      • Шкафы для созревания
      • Шкафы холодильные фармацевтические
      • Воздухоохладители
      • Аксессуары для холодильного оборудования
      • Бонеты
      • Витрины холодильные и морозильные
      • Витрины-прилавки холодильные
      • Горки холодильные и морозильные
      • Камеры холодильные и морозильные
      • Лари морозильные
      • Льдогенераторы
      • Саладетты
      • Библоки
      • Кегераторы
      • Сплит-системы и моноблоки
      • Столы холодильные и морозильные
      • Фризеры
      • Шкафы винные и охладители
      • Шкафы барные холодильные
      • Шкафы холодильные и морозильные
      • Шкафы шокового охлаждения и заморозки
      • Еще
    • Электромеханическое оборудование
      Электромеханическое оборудование
      • Рыбочистки
      • Аксессуары для электромеханического оборудования
      • Аппараты для приготовления пасты
      • Аппараты для приготовления пельменей
      • Бликсеры
      • Гомогенизаторы
      • Измельчители орехов, сухарей, специй
      • Куттеры
      • Массажеры и маринаторы
      • Машины для чистки овощей и фруктов
      • Миксеры ручные
      • Мясорубки
      • Мясорыхлители, тендрайзеры
      • Овощерезки и протирки
      • Пилы для мяса
      • Процессоры кухонные могофункциональные (УКМ)
      • Слайсеры и ломтерезки
      • Сыротерки и сырорезки
      • Термомиксеры и термоблендеры
      • Фаршемесы
      • Формовщики котлет
      • Шприцы колбасные
      • Еще
    • Нейтральное оборудование
      Нейтральное оборудование
      • Сейфы
      • Лари и контейнеры металлические
      • Аксессуары для нейтрального оборудования
      • Барные модули
      • Ванны моечные
      • Зонты вентиляционные
      • Колоды разрубочные
      • Гидрофильтры
      • Модули нейтральные
      • Подставки
      • Подтоварники
      • Полки
      • Рукомойники
      • Стеллажи производственные
      • Столы для посудомоечных машин
      • Столы производственные
      • Столы специализированные
      • Тележки
      • Шкафы гардеробные
      • Шкафы кухонные
      • Еще
    • Пекарское и кондитерское оборудование
      Пекарское и кондитерское оборудование
      • Аппараты для тарталеток
      • Аксессуары для пекарского оборудования
      • Водоохладители, дозаторы воды
      • Дозаторы кондитерские
      • Машины для глазировки и темперирования
      • Миксеры планетарные
      • Мукопросеиватели
      • Тестоделители
      • Тестоделители-округлители
      • Тестозакаточные машины
      • Тестомесы
      • Тестоотсадочные машины
      • Кремоварки
      • Тестораскаточные машины
      • Хлеборезки
      • Шкафы пекарские
      • Ферментаторы
      • Еще
    • Оборудование для пиццерии
      Оборудование для пиццерии
      • Инвентарь для пиццы
      • Печи для пиццы
      • Прессы для теста
      • Столы для пиццы
    • Моечное оборудование
      Моечное оборудование
      • Машины для мойки и сушки овощей
      • Аксессуары для моечного оборудования
      • Машины для мойки котлов и подносов
      • Машины для сушки и полировки посуды
      • Машины посудомоечные купольные
      • Машины посудомоечные туннельные
      • Машины посудомоечные фронтальные
      • Машины стаканомоечные
      • Еще
    • Кофейное оборудование
      Кофейное оборудование
      • Кофемашины
      • Охладители для молока
      • Подогреватели для чашек
      • Аксессуары для кофейного оборудования
      • Вспениватели молока
      • Кофеварки
      • Кофемолки
      • Еще
    • Барное оборудование
      Барное оборудование
      • Аксессуары для барного оборудования
      • Аппараты для приготовления десертов
      • Блендеры
      • Диспенсеры для напитков
      • Измельчители льда
      • Комбайны барные
      • Миксеры для коктейлей
      • Охладители бокалов
      • Соковыжималки
      • Сокоохладители, граниторы
      • Еще
    • Оборудование для фаст-фуда
      Оборудование для фаст-фуда
      • Аппарат для донатсов
      • Аксессуары для фаст-фуд оборудования
      • Аппараты для варки кукурузы
      • Аппараты для гамбургеров
      • Аппараты для попкорна
      • Аппараты для сахарной ваты
      • Аппараты для трдельников
      • Аппараты для хот-догов и корн-догов
      • Аппараты для шаурмы
      • Аппараты пончиковые
      • Блинницы
      • Вафельницы
      • Грили для кур
      • Грили роликовые
      • Диспенсеры для стаканов
      • Урны для фуд-корта
      • Чебуречницы
      • Еще
    • Оборудование для раздачи готовых блюд
      Оборудование для раздачи готовых блюд
      • Термотележки
      • Шведские линии
      • Аксессуары и комплектующие для линий раздачи
      • Линии раздачи
      • Мармиты первых и вторых блюд
      • Термоконтейнеры, термобоксы
      • Еще
    • Весовое оборудование
      Весовое оборудование
      • Аксессуары для весового оборудования
      • Весы автомобильные
      • Весы крановые
      • Весы лабораторные и аналитические
      • Весы для кофе
      • Весы напольные
      • Весы настольные
      • Еще
    • Упаковочное оборудование
      Упаковочное оборудование
      • Вакуумные упаковщики
      • Запайщики лотков
      • Запайщики пакетов
      • Клипсаторы
      • Комплектующие и расходные материалы для упаковочного оборудования
      • Термоупаковочные аппараты
      • Этикетировщики и датеры
      • Еще
    • Посуда и столовые приборы
      Посуда и столовые приборы
      • Емкости для столовых приборов
      • Подносы
      • Предметы сервировки
      • Стекло
      • Столовые приборы
      • Фарфор, керамика
      • Еще
    • Санитарно-гигиеническое оборудование
      Санитарно-гигиеническое оборудование
      • Антисептики и дезинфекторы
      • Сифоны и трапы
      • Дозаторы и диспенсеры гигиенические
      • Водоподготовка
      • Душирующие устройства и смесители
      • Водонагреватели
      • Измельчение и утилизация отходов
      • Контейнеры для отходов
      • Лампы инсектицидные
      • Машины для чистки обуви
      • Овоскопы
      • Профессиональная химия
      • Рециркуляторы, облучатели
      • Рукосушители
      • Стерилизаторы инвентаря
      • Уборочный инвентарь
      • Фены
      • Жироуловители
      • Техника для уборки
      • Еще
    • Инвентарь кухонный
      Инвентарь кухонный
      • Прихватки, перчатки
      • Бутылки и диспенсеры для соусов
      • Валики-перфораторы и резаки для теста
      • Воронки
      • Гастроемкости
      • Держатели
      • Инвентарь для суши
      • Диспенсеры и емкости для сыпучих продуктов
      • Доски
      • Инвентарь барный
      • Инвентарь для пиццы
      • Инвентарь кондитерский
      • Коврики силиконовые
      • Консервооткрыватели
      • Кухонная посуда
      • Ложки, вилки, веселки
      • Лопатки
      • Мерная посуда
      • Овощерезки, Терки, Мандолины
      • Пластиковая тара
      • Половники, шумовки, венчики
      • Режущий инструмент
      • Решетки, противни, формы для выпечки
      • Рыбочистки, овощечистки
      • Сито, дуршлаги
      • Скребки и шпатели
      • Совки
      • Термометры, таймеры
      • Щетки
      • Щипцы
      • Ящики для теста
      • Еще
    • Торговое оборудование
      Торговое оборудование
      • Витрины-прилавки нейтральные
      • Шкафы для хранения сумок
      • Системы ограждения
      • Кассовые кабины
      • Прикассовые стойки
      • Стеллажи складские
      • Покупательские тележки и корзины
      • Аксессуары и комплектующие для торгового оборудования
      • Еще
    • Запасные части
      Запасные части
    Печи для пиццы Линии раздачи Плиты Печи конвекционные Тестомесы Саладетты Кофемашины Пароконвектоматы Оборудование для фаст-фуда Фритюрницы Блендеры Овощерезки и протирки Печи подовые Столы для пиццы Сплит-системы и моноблоки Мясорубки Слайсеры Соковыжималки Шкафы расстоечные Столы холодильные и морозильные Термостаты су-вид Кофемолки
    Chefclick
    Каталог
    Каталог
    По всему сайту
    По каталогу
    Войти
    0 Сравнение
    0 Избранное
    0 Корзина
    Chefclick
    Телефоны
    8 800 333 43 11 По России
    +7 812 250-43-11 Отдел продаж
    Заказать звонок
    0
    0
    0
    Chefclick
    • Нижний Новгород
      • Назад
      • Города
      • Москва
      • Санкт-Петербург
      • Владивосток
      • Волгоград
      • Волжск
      • Екатеринбург
      • Краснодар
      • Красноярск
      • Нижний Новгород
      • Новосибирск
      • Пермь
      • Пятигорск
      • Ростов-на-Дону
      • Симферополь
      • Ставрополь
      • Тюмень
      • Хабаровск
      • Челябинск
    • Кабинет
    • 0 Сравнение
    • 0 Избранное
    • 0 Корзина
    • 8 800 333 43 11 По России
      • Назад
      • Телефоны
      • 8 800 333 43 11 По России
      • +7 812 250-43-11 Отдел продаж
      • Заказать звонок
    • sales@chefclick.ru
    • Нижний Новгород, Московское ш., 52
    • Понедельник — пятница с 9:00 до 18:00 (по МСК)
      Суббота, воскресенье — выходные дни
    Главная
    Каталог
    Запасные части в Нижнем Новгороде

    Запасные части в Нижнем Новгороде

    21954 товара
    Фильтр
    Сначала популярные
    Сначала непопулярные
    Сначала популярные
    Сначала дешевле
    Сначала дороже
    Быстрый просмотр
    КОНТАКТОР APACH 73351
    КОНТАКТОР APACH 73351 в Нижнем Новгороде
    Под заказ
    Арт. 00-00236495
    18 483 ₽
    В корзину
    Быстрый просмотр
    РУЧКА ДВЕРИ ДЛЯ КАРТОФЕЛЕЧИСТКИ APACH F2732
    РУЧКА ДВЕРИ ДЛЯ КАРТОФЕЛЕЧИСТКИ APACH F2732 в Нижнем Новгороде
    Под заказ
    Арт. 00-00225307
    Заказать
    Быстрый просмотр
    mini93299701-c9cb-47d4-a555-b0f923c089c3
    Пластина фиксатор для ручки двери для печи APACH COOK LINE 10PIAZ10NAA005 для AD44 в Нижнем Новгороде
    Под заказ
    Арт. 00-00226426
    786 ₽
    В корзину
    Быстрый просмотр
    ШНЕК СОКОВЫЖИМАЛКИ ДЛЯ ЦИТРУСОВЫХ HURAKAN HKN-CJ01
    ШНЕК СОКОВЫЖИМАЛКИ ДЛЯ ЦИТРУСОВЫХ HURAKAN HKN-CJ01 в Нижнем Новгороде
    Под заказ
    Арт. 00-00225949
    492 ₽
    В корзину
    Быстрый просмотр
    minia4ccb87e-bfe0-42d8-93cb-5d9e40513e64
    Термометр APACH COOK LINE TERMOM001 для печи AML4 в Нижнем Новгороде
    Под заказ
    Арт. 00-00225790
    24 386 ₽
    В корзину
    Быстрый просмотр
    minicc15390f-063b-4c64-b641-336b1ddca126 minie2b5348e-add4-431f-b028-871c94956b45
    ПЛАНКА ПЕРФОРИРОВАННАЯ APACH 167733 в Нижнем Новгороде
    Под заказ
    Арт. 00-00225631
    7 656 ₽
    В корзину
    Быстрый просмотр
    minia14e3d9a-8034-4ac6-a9ed-9ee59f45e50d mini2ed2e0a8-eee8-4d11-98ac-4cddd91dfbf9
    ЗАПАЛЬНИК APACH RTCP800033 в Нижнем Новгороде
    Под заказ
    Арт. 00-00225565
    1 753 ₽
    В корзину
    Быстрый просмотр
    mini965910f5-f377-439f-900c-533beec5c03b minie50e02e6-625d-4304-b856-f178b42135f2
    КЛАПАН ЭЛЕКТРОМАГНИТНЫЙ ДЛЯ ВАКУУМНОГО УПАКОВЩИКА ORVED 1603357 в Нижнем Новгороде
    Под заказ
    Арт. 00-00225413
    21 798 ₽
    В корзину
    Быстрый просмотр
    minid59d9869-f46c-4c39-b8ac-79a2efa6eca2 mini23d9539b-91d6-4368-bf42-7dbbb2a712a3
    ИНДИКАТОР ЭЛЕКТРОКИПЯТИЛЬНИКА HURAKAN HKN-HVN ПОЗ.8 в Нижнем Новгороде
    Под заказ
    Арт. 00-00227760
    538 ₽
    В корзину
    Быстрый просмотр
    ТОЛКАТЕЛЬ СОКОВЫЖИМАЛКИ HURAKAN HKN-CFV90
    ТОЛКАТЕЛЬ СОКОВЫЖИМАЛКИ HURAKAN HKN-CFV90 в Нижнем Новгороде
    Под заказ
    Арт. 00-00227274
    1 944 ₽
    В корзину
    Быстрый просмотр
    mini247d9e8b-91d0-44ba-9677-b427747bb95b
    ТЕРМОСТАТ ДЛЯ ГРИЛЯ КОНТАКТНЫЙ HURAKAN HKN-PE34R в Нижнем Новгороде
    Под заказ
    Арт. 00-00227253
    1 620 ₽
    В корзину
    Быстрый просмотр
    minic7919034-e0b0-49be-8848-65bce70e3c76 mini7a393f69-e5c5-4ac0-be40-6be095cf3949
    КРЫШКА ГОЛОВКИ ДЛЯ САХАРА ДЛЯ АППАРАТА Д/ПРОИЗВОДСТВА САХАРНОЙ ВАТЫ HURAKAN HKN-C2. ПОЗ. 19 в Нижнем Новгороде
    Под заказ
    Арт. 00-00226890
    1 082 ₽
    В корзину
    Быстрый просмотр
    mini7a75c389-a6af-4a57-8e35-3274b3550918 mini304a26a1-5414-413f-a5a2-72b761e38898
    КРЫШКА ДЛЯ СОКООХЛАДИТЕЛЯ HURAKAN HKN-LSJ в Нижнем Новгороде
    Под заказ
    Арт. 00-00226680
    2 151 ₽
    В корзину
    Быстрый просмотр
    minif6ea1c7d-7402-4db5-983d-54ccbb20f9d5 mini09638029-1048-468e-b2d5-e6427cf92dde
    МАГНИТ ДЛЯ ШКАФА ШОКОВОЙ ЗАМОРОЗКИ HKN-BCF M в Нижнем Новгороде
    Под заказ
    Арт. 00-00228180
    590 ₽
    В корзину
    Быстрый просмотр
    miniafa70e55-cd15-4709-9683-42d8e40bd63f mini9c1f16d8-b70f-4319-818d-d150ab80de02
    ПЛАТА ГЕНЕРАТОРА ИНДУКЦИОННОЙ ПЛИТЫ HURAKAN HKN-ICF35M, арт. A817 в Нижнем Новгороде
    Под заказ
    Арт. 00-00228068
    Заказать
    Быстрый просмотр
    mini0e4ecbbb-b6a0-43a3-8aa8-64ab484064e4 mini183a6769-c3da-4b45-afb9-7f3285dc3a1d
    ТРУБКА УРОВНЯ ВОДЫ ЭЛЕКТРОКИПЯТИЛЬНИКА HURAKAN HKN-HVN30A ПОЗ.5 в Нижнем Новгороде
    Под заказ
    Арт. 00-00227882
    2 702 ₽
    В корзину
    Быстрый просмотр
    mini126acac4-a246-4a42-898d-20e73f77dd39
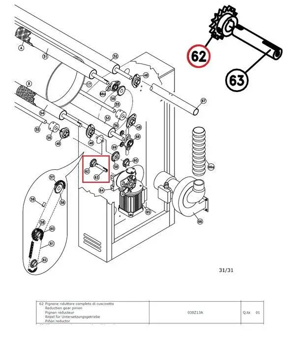
    Звёздочка в комплекте с опорой качения GMP 038Z13A для катков гладильных в Нижнем Новгороде
    Под заказ
    Арт. 00-00271597
    17 809 ₽
    В корзину
    Быстрый просмотр
    mini445b70bd-e410-45b3-81cf-996ed081e600
    Термостат испарителя R23591 (K-22) для льдогенератора серии СВ в Нижнем Новгороде
    Под заказ
    Арт. 00-00270113
    4 541 ₽
    В корзину
    Быстрый просмотр
    ШПОНКА ДЛЯ МИКСЕРА HURAKAN HKN-IP30F2 10
    ШПОНКА ДЛЯ МИКСЕРА HURAKAN HKN-IP30F2 10 в Нижнем Новгороде
    Под заказ
    Арт. 00-00233903
    56 ₽
    В корзину
    Быстрый просмотр
    РОЛИК ВЕДУЩИЙ ДЛЯ СТОЛА JAC UNIC
    РОЛИК ВЕДУЩИЙ ДЛЯ СТОЛА JAC UNIC в Нижнем Новгороде
    Под заказ
    Арт. 00-00235490
    Заказать
    Загрузить еще
    1 ... 106 107 108 109 110 ... 1098
    Категория
    • Тепловое оборудование
      • Печи комбинированные
      • Тепловые острова и моноблоки
      • Казаны
      • Аппараты для варки яиц
      • Аксессуары для теплового оборудования
      • Витрины тепловые
      • Грили и мангалы угольные
      • Грили контактные
      • Грили Саламандра
      • Дегидраторы
      • Кипятильники
      • Коптильни
      • Котлы пищеварочные
      • Сковороды мультифункциональные
      • Макароноварки
      • Обогреватели уличные
      • Пароварки
      • Пароконвектоматы
      • Печи дровяные
      • Печи конвейерные
      • Печи конвекционные
      • Печи микроволновые
      • Печи подовые
      • Печи ротационные
      • Плиты
      • Поверхности жарочные
      • Подогреватели блюд и посуды
      • Рисоварки и термосы для риса
      • Сковороды опрокидываемые
      • Столы тепловые
      • Термостаты су-вид
      • Тостеры
      • Фритюрницы
      • Шашлычницы
      • Шкафы жарочные
      • Оборудование расстоечное
        • Камеры расстоечные
        • Шкафы расстоечные
      • Печи низкотемпературные
      • Шкафы тепловые
    • Бытовая техника
      • Измельчители пищевых отходов бытовые
      • Блендеры бытовые
      • Вытяжки бытовые
      • Газовые плиты бытовые
      • Инвентарь кухонный бытовой
      • Кофемашины бытовые
      • Кофемолки бытовые
      • Миксеры бытовые
      • Минибары бытовые
      • Тостеры бытовые
      • Холодильники бытовые
      • Чайники бытовые
      • Пароконвектоматы бытовые
      • Посудомоечные машины бытовые
      • Смесители бытовые
      • Электрические плиты бытовые
      • Соковыжималки бытовые
      • Стиральные машины бытовые
      • Сушильные машины бытовые
      • Кондиционеры
    • Оборудование для прачечных и химчисток
      • Машины стиральные
      • Аксессуары прачечного оборудования
      • Машины сушильные
      • Гладильное оборудование
      • Нейтральное оборудование для прачечных
      • Пятновыводные столы и шкафы
    • Холодильное оборудование
      • Шкафы для созревания
      • Шкафы холодильные фармацевтические
      • Воздухоохладители
      • Аксессуары для холодильного оборудования
      • Бонеты
      • Витрины холодильные и морозильные
      • Витрины-прилавки холодильные
      • Горки холодильные и морозильные
      • Камеры холодильные и морозильные
      • Лари морозильные
      • Льдогенераторы
      • Саладетты
      • Библоки
      • Кегераторы
      • Сплит-системы и моноблоки
      • Столы холодильные и морозильные
      • Фризеры
      • Шкафы винные и охладители
      • Шкафы барные холодильные
      • Шкафы холодильные и морозильные
      • Шкафы шокового охлаждения и заморозки
    • Электромеханическое оборудование
      • Рыбочистки
      • Аксессуары для электромеханического оборудования
      • Аппараты для приготовления пасты
      • Аппараты для приготовления пельменей
      • Бликсеры
      • Гомогенизаторы
      • Измельчители орехов, сухарей, специй
      • Куттеры
      • Массажеры и маринаторы
      • Машины для чистки овощей и фруктов
      • Миксеры ручные
      • Мясорубки
      • Мясорыхлители, тендрайзеры
      • Овощерезки и протирки
      • Пилы для мяса
      • Процессоры кухонные могофункциональные (УКМ)
      • Слайсеры и ломтерезки
      • Сыротерки и сырорезки
      • Термомиксеры и термоблендеры
      • Фаршемесы
      • Формовщики котлет
      • Шприцы колбасные
    • Нейтральное оборудование
      • Сейфы
      • Лари и контейнеры металлические
      • Аксессуары для нейтрального оборудования
      • Барные модули
      • Ванны моечные
      • Зонты вентиляционные
      • Колоды разрубочные
      • Гидрофильтры
      • Модули нейтральные
      • Подставки
      • Подтоварники
      • Полки
      • Рукомойники
      • Стеллажи производственные
      • Столы для посудомоечных машин
      • Столы производственные
      • Столы специализированные
      • Тележки
      • Шкафы гардеробные
      • Шкафы кухонные
    • Пекарское и кондитерское оборудование
      • Аппараты для тарталеток
      • Аксессуары для пекарского оборудования
      • Водоохладители, дозаторы воды
      • Дозаторы кондитерские
      • Машины для глазировки и темперирования
      • Миксеры планетарные
      • Мукопросеиватели
      • Тестоделители
      • Тестоделители-округлители
      • Тестозакаточные машины
      • Тестомесы
      • Тестоотсадочные машины
      • Кремоварки
      • Тестораскаточные машины
      • Хлеборезки
      • Шкафы пекарские
      • Ферментаторы
    • Оборудование для пиццерии
      • Инвентарь для пиццы
      • Печи для пиццы
      • Прессы для теста
      • Столы для пиццы
    • Моечное оборудование
      • Машины для мойки и сушки овощей
      • Аксессуары для моечного оборудования
      • Машины для мойки котлов и подносов
      • Машины для сушки и полировки посуды
      • Машины посудомоечные купольные
      • Машины посудомоечные туннельные
      • Машины посудомоечные фронтальные
      • Машины стаканомоечные
    • Кофейное оборудование
      • Кофемашины
      • Охладители для молока
      • Подогреватели для чашек
      • Аксессуары для кофейного оборудования
      • Вспениватели молока
      • Кофеварки
      • Кофемолки
    • Барное оборудование
      • Аксессуары для барного оборудования
      • Аппараты для приготовления десертов
      • Блендеры
      • Диспенсеры для напитков
      • Измельчители льда
      • Комбайны барные
      • Миксеры для коктейлей
      • Охладители бокалов
      • Соковыжималки
      • Сокоохладители, граниторы
    • Оборудование для фаст-фуда
      • Аппарат для донатсов
      • Аксессуары для фаст-фуд оборудования
      • Аппараты для варки кукурузы
      • Аппараты для гамбургеров
      • Аппараты для попкорна
      • Аппараты для сахарной ваты
      • Аппараты для трдельников
      • Аппараты для хот-догов и корн-догов
      • Аппараты для шаурмы
      • Аппараты пончиковые
      • Блинницы
      • Вафельницы
      • Грили для кур
      • Грили роликовые
      • Диспенсеры для стаканов
      • Урны для фуд-корта
      • Чебуречницы
    • Оборудование для раздачи готовых блюд
      • Термотележки
      • Шведские линии
      • Аксессуары и комплектующие для линий раздачи
      • Линии раздачи
      • Мармиты первых и вторых блюд
      • Термоконтейнеры, термобоксы
    • Весовое оборудование
      • Аксессуары для весового оборудования
      • Весы автомобильные
      • Весы крановые
      • Весы лабораторные и аналитические
      • Весы для кофе
      • Весы напольные
      • Весы настольные
    • Упаковочное оборудование
      • Вакуумные упаковщики
      • Запайщики лотков
      • Запайщики пакетов
      • Клипсаторы
      • Комплектующие и расходные материалы для упаковочного оборудования
      • Термоупаковочные аппараты
      • Этикетировщики и датеры
    • Посуда и столовые приборы
      • Емкости для столовых приборов
      • Подносы
      • Предметы сервировки
      • Стекло
      • Столовые приборы
      • Фарфор, керамика
    • Санитарно-гигиеническое оборудование
      • Антисептики и дезинфекторы
      • Сифоны и трапы
      • Дозаторы и диспенсеры гигиенические
      • Водоподготовка
      • Душирующие устройства и смесители
      • Водонагреватели
      • Измельчение и утилизация отходов
      • Контейнеры для отходов
      • Лампы инсектицидные
      • Машины для чистки обуви
      • Овоскопы
      • Профессиональная химия
      • Рециркуляторы, облучатели
      • Рукосушители
      • Стерилизаторы инвентаря
      • Уборочный инвентарь
      • Фены
      • Жироуловители
      • Техника для уборки
    • Инвентарь кухонный
      • Прихватки, перчатки
      • Бутылки и диспенсеры для соусов
      • Валики-перфораторы и резаки для теста
      • Воронки
      • Гастроемкости
      • Держатели
      • Инвентарь для суши
      • Диспенсеры и емкости для сыпучих продуктов
      • Доски
      • Инвентарь барный
      • Инвентарь для пиццы
      • Инвентарь кондитерский
      • Коврики силиконовые
      • Консервооткрыватели
      • Кухонная посуда
      • Ложки, вилки, веселки
      • Лопатки
      • Мерная посуда
      • Овощерезки, Терки, Мандолины
      • Пластиковая тара
      • Половники, шумовки, венчики
      • Режущий инструмент
      • Решетки, противни, формы для выпечки
      • Рыбочистки, овощечистки
      • Сито, дуршлаги
      • Скребки и шпатели
      • Совки
      • Термометры, таймеры
      • Щетки
      • Щипцы
      • Ящики для теста
    • Торговое оборудование
      • Витрины-прилавки нейтральные
      • Шкафы для хранения сумок
      • Системы ограждения
      • Кассовые кабины
      • Прикассовые стойки
      • Стеллажи складские
      • Покупательские тележки и корзины
      • Аксессуары и комплектующие для торгового оборудования
    • Запасные части
    Фильтр
    Цена
    2
    672 799
    1 345 596
    2 018 393
    2 691 190
    Бренд
    Показать все
    Страна происхождения
    Показать все
    Длина (мм)
    0
    458
    915
    1 373
    1 830
    Ширина (мм)
    0
    113
    225
    338
    450
    Высота (мм)
    0
    243
    485
    728
    970
    Вес нетто (кг)
    0
    10
    20
    29
    39
    Вес брутто (кг)
    0
    29
    58
    86
    115
    Напряжение 220 (В)
    Напряжение 380 (В)
    Мощность электрическая (кВт)
    0
    0
    0
    1
    1
    Объем нетто (м3)
    0
    0
    0
    0
    0
    Борт
    Толкатель
    Текстовое описание
    Показать все
    Подвижный стол
    Колеса
    Количество дверей
    1
    1
    2
    2
    2
    Подсветка
    Выбрано 0 Показать0
    Показать 0
    Подписаться
    на новости и акции
    Интернет-магазин
    Каталог
    Акции
    Бренды
    Компания
    О компании
    Отзывы
    Лицензии и сертификаты
    Информация
    Реквизиты
    Контакты
    Помощь
    Как купить
    Оплата
    Доставка
    Гарантия
    Возврат
    Контакты
    8 800 333 43 11
    8 800 333 43 11По России
    +7 812 250-43-11Отдел продаж
    Заказать звонок
    E-mail
    sales@chefclick.ru
    Адрес
    Нижний Новгород, Московское ш., 52
    Режим работы
    Понедельник — пятница с 9:00 до 18:00 (по МСК)
    Суббота, воскресенье — выходные дни
    sales@chefclick.ru
    Нижний Новгород, Московское ш., 52
    © 2025 Интернет-магазин Chefclick Карта сайта

    Вся представленная на сайте информация, касающаяся характеристик товаров, внешнего вида, наличия на складе, стоимости, носит информационный характер и не является публичной офертой, определяемой положениями Статьи 437(2) Гражданского кодекса Российской Федерации. Для получения подробной информации о наличии и стоимости товаров и (или) услуг, пожалуйста, обращайтесь к менеджерам по телефону: 8 800 333 43 11.

    Конфиденциальность Оферта
    Создание сайта — Mashkevski
    Главная Каталог 0 Корзина Кабинет 0 Избранные 0 Сравнение Акции Контакты Бренды Отзывы Компания Регион Поиск